J. Semicond. > 2025, Volume 46 > Issue 10 > 102202

ARTICLES

A 32Gb/s digital-assisted PAM-4 DFB laser driver in 28-nm CMOS

Yang Min1, 2, Nan Qi1, 2, , Yihan Chen1, 2, Minye Zhu1, 2, Guike Li1, Yonghui Lin3, Zhao Zhang1, 2, Jian Liu1, 2, Nanjian Wu1, 2, Jingbo Shi4, Frank F. Shi5 and Liyuan Liu1, 2

+ Author Affiliations

 Corresponding author: Nan Qi, qinan@semi.ac.cn

DOI: 10.1088/1674-4926/25020011CSTR: 32376.14.1674-4926.25020011

PDF

Turn off MathJax

Abstract: This paper presents a 4-level pulse amplitude modulation (PAM-4) distributed feedback (DFB) laser driver. The driver adopts a digital slicing architecture to achieve high linearity by adjusting the weights of three thermometer-coded main paths. An efficient-biased output stage structure is proposed to reduce power consumption while avoiding the degradation of output node bandwidth typically induced by parasitic capacitance in high-current bias path. A two-tap linear and nonlinear feed-forward equalizer (FFE) is implemented in the digital domain to extend bandwidth limitations and compensate for the dynamic nonlinearity of the DFB laser. The nonlinear FFE is realized at the cost of lower power consumption and smaller area by utilizing the simultaneity of low-speed parallel data. The chip is fabricated in 28 nm CMOS process. Measurement results indicate that, with a laser bias current of 40 mA, a modulation current of 20 mApp, and an operating rate of 32 Gb/s PAM-4, the overall power consumption of the chip is 372 mW, corresponding to an energy efficiency of 11.6 pJ/b.

Key words: optical transmitterDFB Laserdynamic nonlinearitynonlinear FFEenergy efficiency



[1]
Cheng Q X, Glick M, Bergman K. Optical interconnection networks for high-performance systems. Optical Fiber Telecommunications VII. Amsterdam: Elsevier, 2020, 785 doi: 10.1109/JLT.2011.2172989
[2]
Pitwon R, Reddy A, Jain A, et al. Evolution of system embedded optical interconnect in sub-top-of-rack data center systems. Appl Sci, 2022, 12(3), 1565 doi: 10.3390/app12031565
[3]
Chen G Y, Yu Y, Shi Y, et al. High-speed photodetectors on silicon photonics platform for optical interconnect. Laser & Photonics Rev, 2022, 16(12), 2200117 doi: 10.1002/lpor.202200117
[4]
Akulova Y, Fathololoumi S, Nguyen K, et al. Silicon photonics integrated circuit for co-packaged optical-IO. 2022 Conference on Lasers and Electro-Optics Pacific Rim (CLEO-PR), 2022, 1 doi: 10.1109/CLEO-PR62338.2022.10432157
[5]
Takemoto T, Matsuoka Y, Sugiyama Y, et al. A 50-Gb/s NRZ-modulated optical transmitter based on a DFB-LD and a 0.18-µm SiGe BiCMOS LD driver. 2015 Optical Fiber Communications Conference and Exhibition (OFC), 2015, 1
[6]
Wahba A, Cheng L, Lin F J. A 15 Gbps-NRZ, 30 Gbps-PAM4, 120 mA laser diode driver implemented in 0.15-µm GaAs E-mode pHEMT technology. J Semicond, 2021, 42(7), 072401 doi: 10.1088/1674-4926/42/7/072401
[7]
Chujo N, Takai T, Sugawara T, et al. A 25 Gb/s 65-nm CMOS low-power laser diode driver with mutually coupled peaking inductors for optical interconnects. IEEE Trans Circuits Syst I Regul Pap, 2011, 58(9), 2061 doi: 10.1109/TCSI.2011.2163982
[8]
Yin B Z, Qi N, Shi J B, et al. A 32Gb/s-NRZ, 15GBaud/s-PAM4 DFB laser driver with active back-termination in 65nm CMOS. 2017 IEEE Radio Frequency Integrated Circuits Symposium (RFIC), 2017, 264 doi: 10.1109/RFIC.2017.7969068
[9]
Liu X W, Zhang Y H, Zhou C J, et al. A 16Gb/s triple-mode driver in 0.18μm CMOS technology. 2020 IEEE International Conference on Integrated Circuits, Technologies and Applications (ICTA), 2020, 96 doi: 10.1109/ICTA50426.2020.9332001
[10]
Belfiore G, Khafaji M, Henker R, et al. A compact electro-optical VCSEL model for high-speed IC design. 2016 12th Conference on Ph. D. Research in Microelectronics and Electronics (PRIME), 2016, 1 doi: 10.1109/PRIME.2016.7519508
[11]
Raj M, Monge M, Emami A. A modelling and nonlinear equalization technique for a 20 Gb/s 0.77 pJ/b VCSEL transmitter in 32 nm SOI CMOS. IEEE J Solid State Circuits, 2016, 51(8), 1734 doi: 10.1109/JSSC.2016.2553040
[12]
Sun Z, Wang Y, Xiao R, et al. Directly modulated 25 Gbaud/s tunable in-series DFB laser array for WDM systems. Chin Opt Lett, 2023, 21(1), 90 doi: 10.3788/COL202321.011403
[13]
Hecht U, Ordouei H, Ledentsov N, et al. True voltage-mode NRZ VCSEL transmitter enabling 60 Gbit/s at 0.37 pJ/bit in 22 nm FDSOI. ESSCIRC 2023-IEEE 49th European Solid State Circuits Conference (ESSCIRC), 2023, 365 doi: 10.1109/ESSCIRC59616.2023.10268797
[14]
Raj M, Monge M, Emami A. A 20Gb/s 0.77pJ/b VCSEL transmitter with nonlinear equalization in 32nm SOI CMOS. 2015 IEEE Custom Integrated Circuits Conference (CICC), 2015, 1 doi: 10.1109/CICC.2015.7338415
[15]
Chen F Z, Zhang C Y, Wang L, et al. A 2.05-pJ/b 56-Gb/s PAM-4 VCSEL transmitter with piecewise nonlinearity compensation and asymmetric equalization in 40-nm CMOS. ESSCIRC 2023-IEEE 49th European Solid State Circuits Conference (ESSCIRC), 2023, 373 doi: 10.1109/ESSCIRC59616.2023.10268794
[16]
Li H, Balamurugan G, Kim T, et al. A 3-D-integrated silicon photonic microring-based 112-Gb/s PAM-4 transmitter with nonlinear equalization and thermal control. IEEE J Solid State Circuits, 2021, 56(1), 19 doi: 10.1109/JSSC.2020.3022851
[17]
Peng P J, Lee P L, Huang H E, et al. A 56-Gb/s PAM-4 transmitter/receiver chipset with nonlinear FFE for VCSEL-based optical links in 40-nm CMOS. IEEE J Solid State Circuits, 2022, 57(10), 3025 doi: 10.1109/JSSC.2022.3192711
[18]
Hu S, Yao T Y, Yin B Z, et al. A 50Gb/s PAM-4 retimer-CDR + VCSEL driver with asymmetric pulsed pre-emphasis integrated into a single CMOS die. 2019 Optical Fiber Communications Conference and Exhibition (OFC), 2019, 1
[19]
Ho W H, Hsieh Y H, Murmann B, et al. A 32 Gb/s PAM-4 optical transceiver with active back termination in 40 nm CMOS technology. IEEE Open J Circuits Syst, 2021, 2, 56 doi: 10.1109/OJCAS.2020.3036531
Fig. 1.  DFB laser driver architectures. (a) Analog linear direct drive and (b) digital DAC-based with integrated CDR.

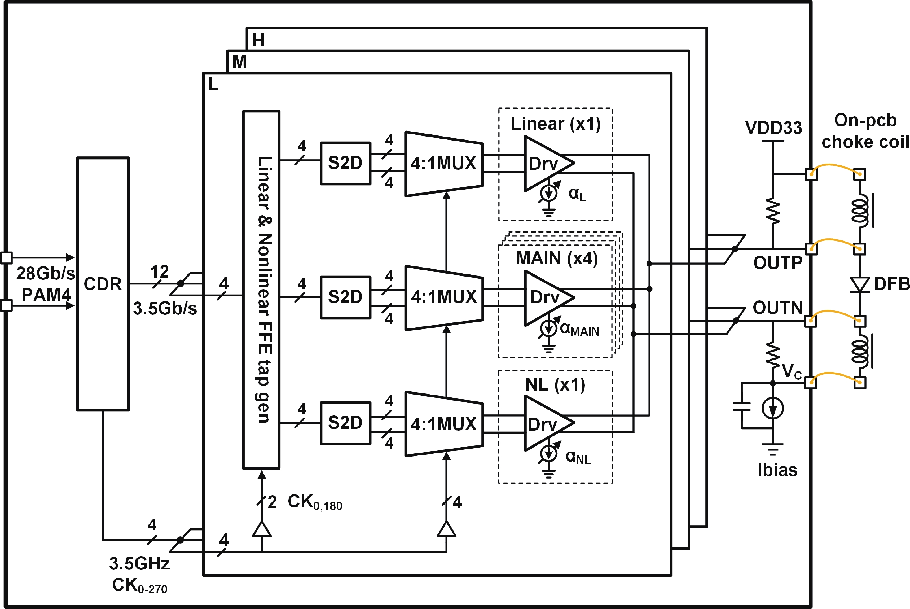
Fig. 2.  (Color online) System block diagram of the proposed DFB laser driver.

Fig. 3.  (Color online) Schematic of the differential drive output stage. (a) Conventional, (b) proposed.

Fig. 4.  (Color online) The corresponding optical waveform of the laser driven by modulation currents of different shapes.

Fig. 5.  (Color online) Circuit implementation of linear and nonlinear FFE tap generation.

Fig. 6.  (Color online) Equalization waveform generation timing diagram of (a) linear FFE and (b) nonlinear FFE.

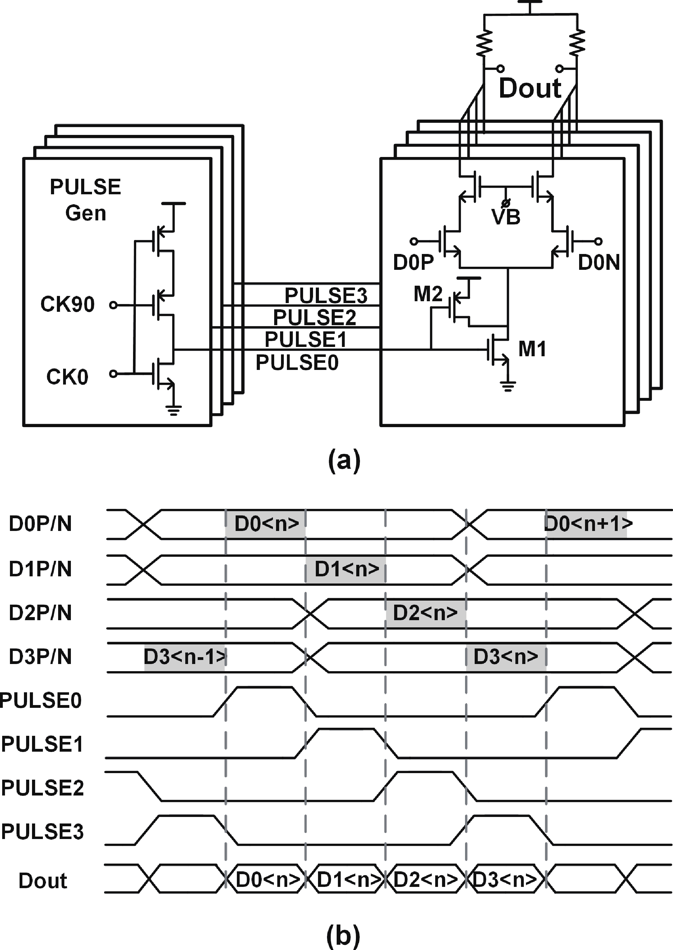
Fig. 7.  (Color online) Pulse current amplitude for different transition modes under PAM-4. (a) Circuit schematic and (b) timing diagram.

Fig. 8.  CML 4 : 1 MUX. (a) Circuit implementation and (b) timing diagram.

Fig. 9.  (Color online) Chip micrograph of the hybrid-integrated DFB laser.

Fig. 10.  (Color online) Experiment setup for eye diagram measurements. (a) Optical and (b) electrical.

Fig. 11.  (Color online) Measured 28 Gb/s NRZ electrical eye diagrams. (a) With linear FFE disabled, (b) with linear FFE enabled.

Fig. 12.  (Color online) Measured optical eye diagrams. (a) 14 Gb/s NRZ (w/o EQ), (b) 14 Gb/s NRZ (w/ EQ), (c) 28 Gb/s NRZ (w/ EQ), (d) 28 Gb/s PAM-4 (w/o EQ), (e) 28 Gb/s PAM-4 (w/ EQ), (f) 32 Gb/s PAM-4 (w/ EQ).

Table 1.   Performance comparison.

Paremeters Ref. [5] Ref. [6] Ref. [8] Ref. [9] This work
Data rate (Gb/s) 50 30 32 16 32
Modulation format NRZ PAM-4 NRZ NRZ PAM-4
Equalization Linear FFE Cross-coupled capacitance CTLE Shunt peaking inductors Linear & nonlinear FFE
LD current (Bias) (mA) 60 150 60 60 40
LD current (Mod) (mApp) 40 120 60 67 20
Energy effic. (pJ/b) 16.2 40.9 17.2 13.5 11.6
Area (mm2) 2.06 0.91 1.2 1 1.4
Technology 0.18 μm SiGe 0.15 μm GaAs E-mode pHEMT 65 nm CMOS 0.18 μm CMOS 28 nm CMOS
DownLoad: CSV
[1]
Cheng Q X, Glick M, Bergman K. Optical interconnection networks for high-performance systems. Optical Fiber Telecommunications VII. Amsterdam: Elsevier, 2020, 785 doi: 10.1109/JLT.2011.2172989
[2]
Pitwon R, Reddy A, Jain A, et al. Evolution of system embedded optical interconnect in sub-top-of-rack data center systems. Appl Sci, 2022, 12(3), 1565 doi: 10.3390/app12031565
[3]
Chen G Y, Yu Y, Shi Y, et al. High-speed photodetectors on silicon photonics platform for optical interconnect. Laser & Photonics Rev, 2022, 16(12), 2200117 doi: 10.1002/lpor.202200117
[4]
Akulova Y, Fathololoumi S, Nguyen K, et al. Silicon photonics integrated circuit for co-packaged optical-IO. 2022 Conference on Lasers and Electro-Optics Pacific Rim (CLEO-PR), 2022, 1 doi: 10.1109/CLEO-PR62338.2022.10432157
[5]
Takemoto T, Matsuoka Y, Sugiyama Y, et al. A 50-Gb/s NRZ-modulated optical transmitter based on a DFB-LD and a 0.18-µm SiGe BiCMOS LD driver. 2015 Optical Fiber Communications Conference and Exhibition (OFC), 2015, 1
[6]
Wahba A, Cheng L, Lin F J. A 15 Gbps-NRZ, 30 Gbps-PAM4, 120 mA laser diode driver implemented in 0.15-µm GaAs E-mode pHEMT technology. J Semicond, 2021, 42(7), 072401 doi: 10.1088/1674-4926/42/7/072401
[7]
Chujo N, Takai T, Sugawara T, et al. A 25 Gb/s 65-nm CMOS low-power laser diode driver with mutually coupled peaking inductors for optical interconnects. IEEE Trans Circuits Syst I Regul Pap, 2011, 58(9), 2061 doi: 10.1109/TCSI.2011.2163982
[8]
Yin B Z, Qi N, Shi J B, et al. A 32Gb/s-NRZ, 15GBaud/s-PAM4 DFB laser driver with active back-termination in 65nm CMOS. 2017 IEEE Radio Frequency Integrated Circuits Symposium (RFIC), 2017, 264 doi: 10.1109/RFIC.2017.7969068
[9]
Liu X W, Zhang Y H, Zhou C J, et al. A 16Gb/s triple-mode driver in 0.18μm CMOS technology. 2020 IEEE International Conference on Integrated Circuits, Technologies and Applications (ICTA), 2020, 96 doi: 10.1109/ICTA50426.2020.9332001
[10]
Belfiore G, Khafaji M, Henker R, et al. A compact electro-optical VCSEL model for high-speed IC design. 2016 12th Conference on Ph. D. Research in Microelectronics and Electronics (PRIME), 2016, 1 doi: 10.1109/PRIME.2016.7519508
[11]
Raj M, Monge M, Emami A. A modelling and nonlinear equalization technique for a 20 Gb/s 0.77 pJ/b VCSEL transmitter in 32 nm SOI CMOS. IEEE J Solid State Circuits, 2016, 51(8), 1734 doi: 10.1109/JSSC.2016.2553040
[12]
Sun Z, Wang Y, Xiao R, et al. Directly modulated 25 Gbaud/s tunable in-series DFB laser array for WDM systems. Chin Opt Lett, 2023, 21(1), 90 doi: 10.3788/COL202321.011403
[13]
Hecht U, Ordouei H, Ledentsov N, et al. True voltage-mode NRZ VCSEL transmitter enabling 60 Gbit/s at 0.37 pJ/bit in 22 nm FDSOI. ESSCIRC 2023-IEEE 49th European Solid State Circuits Conference (ESSCIRC), 2023, 365 doi: 10.1109/ESSCIRC59616.2023.10268797
[14]
Raj M, Monge M, Emami A. A 20Gb/s 0.77pJ/b VCSEL transmitter with nonlinear equalization in 32nm SOI CMOS. 2015 IEEE Custom Integrated Circuits Conference (CICC), 2015, 1 doi: 10.1109/CICC.2015.7338415
[15]
Chen F Z, Zhang C Y, Wang L, et al. A 2.05-pJ/b 56-Gb/s PAM-4 VCSEL transmitter with piecewise nonlinearity compensation and asymmetric equalization in 40-nm CMOS. ESSCIRC 2023-IEEE 49th European Solid State Circuits Conference (ESSCIRC), 2023, 373 doi: 10.1109/ESSCIRC59616.2023.10268794
[16]
Li H, Balamurugan G, Kim T, et al. A 3-D-integrated silicon photonic microring-based 112-Gb/s PAM-4 transmitter with nonlinear equalization and thermal control. IEEE J Solid State Circuits, 2021, 56(1), 19 doi: 10.1109/JSSC.2020.3022851
[17]
Peng P J, Lee P L, Huang H E, et al. A 56-Gb/s PAM-4 transmitter/receiver chipset with nonlinear FFE for VCSEL-based optical links in 40-nm CMOS. IEEE J Solid State Circuits, 2022, 57(10), 3025 doi: 10.1109/JSSC.2022.3192711
[18]
Hu S, Yao T Y, Yin B Z, et al. A 50Gb/s PAM-4 retimer-CDR + VCSEL driver with asymmetric pulsed pre-emphasis integrated into a single CMOS die. 2019 Optical Fiber Communications Conference and Exhibition (OFC), 2019, 1
[19]
Ho W H, Hsieh Y H, Murmann B, et al. A 32 Gb/s PAM-4 optical transceiver with active back termination in 40 nm CMOS technology. IEEE Open J Circuits Syst, 2021, 2, 56 doi: 10.1109/OJCAS.2020.3036531
  • Search

    Advanced Search >>

    GET CITATION

    shu

    Export: BibTex EndNote

    Article Metrics

    Article views: 523 Times PDF downloads: 119 Times Cited by: 0 Times

    History

    Received: 10 February 2025 Revised: 28 March 2025 Online: Accepted Manuscript: 16 April 2025Uncorrected proof: 19 May 2025Published: 09 October 2025

    Catalog

      Email This Article

      User name:
      Email:*请输入正确邮箱
      Code:*验证码错误
      Yang Min, Nan Qi, Yihan Chen, Minye Zhu, Guike Li, Yonghui Lin, Zhao Zhang, Jian Liu, Nanjian Wu, Jingbo Shi, Frank F. Shi, Liyuan Liu. A 32Gb/s digital-assisted PAM-4 DFB laser driver in 28-nm CMOS[J]. Journal of Semiconductors, 2025, 46(10): 102202. doi: 10.1088/1674-4926/25020011 ****Y Min, N Qi, Y H Chen, M Y Zhu, G K Li, Y H Lin, Z Zhang, J Liu, N J Wu, J B Shi, F F Shi, and L Y Liu, A 32Gb/s digital-assisted PAM-4 DFB laser driver in 28-nm CMOS[J]. J. Semicond., 2025, 46(10), 102202 doi: 10.1088/1674-4926/25020011
      Citation:
      Yang Min, Nan Qi, Yihan Chen, Minye Zhu, Guike Li, Yonghui Lin, Zhao Zhang, Jian Liu, Nanjian Wu, Jingbo Shi, Frank F. Shi, Liyuan Liu. A 32Gb/s digital-assisted PAM-4 DFB laser driver in 28-nm CMOS[J]. Journal of Semiconductors, 2025, 46(10): 102202. doi: 10.1088/1674-4926/25020011 ****
      Y Min, N Qi, Y H Chen, M Y Zhu, G K Li, Y H Lin, Z Zhang, J Liu, N J Wu, J B Shi, F F Shi, and L Y Liu, A 32Gb/s digital-assisted PAM-4 DFB laser driver in 28-nm CMOS[J]. J. Semicond., 2025, 46(10), 102202 doi: 10.1088/1674-4926/25020011

      A 32Gb/s digital-assisted PAM-4 DFB laser driver in 28-nm CMOS

      DOI: 10.1088/1674-4926/25020011
      CSTR: 32376.14.1674-4926.25020011
      More Information
      • Yang Min is currently pursuing the master’s degree in electronic information with the University of Chinese Academy of Sciences, Beijing, China. His research interests include IC design of radio frequency and mixed signal specific to silicon photonics and electrical/optical transceivers
      • Nan Qi is now a Full Professor of electrical circuits and systems at the Institute of Semiconductors, Chinese Academy of Sciences, Beijing. His research interests include the design of integrated circuits for high-speed wireline/optical and wireless transceivers
      • Yihan Chen received the B.S. degree in electronic and information engineering from University of Chinese Academy of Sciences, Beijing, China, in 2024. He is currently pursuing the M.S. in circuits and systems with the Institute of Semiconductors, Chinese Academy of Sciences. His main research direction is mixed-signal transceiver and analog-to-digital converter
      • Minye Zhu received the B.S. degree in electronic and information engineering from University of Chinese Academy of Sciences, Beijing, China, in 2022. He is currently pursuing the M.S. degree in circuits and systems with the University of Chinese Academy of Sciences, Beijing, China. His current research interests include high-speed receiver IC design for silicon photonics and micro-ring thermo-optical modulation
      • Guike Li is an Assistant Professor of microelectronics and solid-state electronics with the State Key Laboratory of Semiconductor Physics and Chip Technologies, Institute of Semiconductors, Chinese Academy of Sciences. His current research interests include CMOS image sensors and integrated silicon photonics
      • Zhao Zhang is a Full Professor at Institute of Semiconductors, Chinese Academy of Sciences. His research interests include the design of low-jitter and low-power PLLs, RF/mm-wave frequency synthesizers, and wireline transceivers
      • Jian Liu is a Full Professor in microelectronics and solid-state electronics with the State Key Laboratory of Super-lattices and Microstructures, Institute of Semiconductors, Chinese Academy of Sciences, Beijing, China, since 2005. His research interests include semiconductor optoelectronic detectors, terahertz imagers, and metamaterials
      • Nanjian Wu has been a Professor with the State Key Laboratory of Super-lattices and Microstructures, Institute of Semiconductors, Chinese Academy of Sciences, Beijing, China, since 2000. His research includes the field of mixed-signal VLSI and vision chip design
      • Jingbo Shi is now a Full Professor with the State Key Laboratory of Information Photonics and Optical Communications, Beijing University of Posts and Telecommunications. His research interests include co-designed photonic integrated circuits (PICs) and electrical integrated circuits (EICs) for high-performance computing, optical-IOs and integrated microwave photonics (MWP)
      • Frank F. Shi received Master Degree of Science from Stanford University, USA, in 1996 and PhD degree from University of Illinois at Urbana-Champaign, USA, in 2004. He was with Micron Technology, USA, as Senior Manager, Corporate Development from January 2004 to January 2007, with Nantronics Semiconductor Co. as Co-founder, CEO & President, China, from January 2007 to April 2015 and with PhotonIC Technologies Co. as Co-founder, China, from September 2015 to now. He is dedicated in developing and commercializing low-power high-speed optoelectronic integrated IC solutions to serve the fast-growing optical/data-com, and 3D sensing markets
      • Liyuan Liu joined the State Key Laboratory of Super-lattices and Microstructures, Institute of Semiconductors, Chinese Academy of Sciences, Beijing, as an Associate Professor in 2012, where he became a Professor in 2018. His research interests include mixed-signal IC design, CMOS image sensors design, terahertz image sensors design, and monolithic vision chip design
      • Corresponding author: qinan@semi.ac.cn
      • Received Date: 2025-02-10
      • Revised Date: 2025-03-28
      • Available Online: 2025-04-16

      Catalog

        /

        DownLoad:  Full-Size Img  PowerPoint
        Return
        Return