| Citation: |
Yuanfu Zhao, Liyan Liu, Xiaohui Liu, Xiaofeng Jin, Xiang Li. Radiation hardened design and analysis of radiation effect for scientific CMOS image sensor[J]. Journal of Semiconductors, 2015, 36(11): 114007. doi: 10.1088/1674-4926/36/11/114007
****
Y F Zhao, L Y Liu, X H Liu, X F Jin, X Li. Radiation hardened design and analysis of radiation effect for scientific CMOS image sensor[J]. J. Semicond., 2015, 36(11): 114007. doi: 10.1088/1674-4926/36/11/114007.
|
Radiation hardened design and analysis of radiation effect for scientific CMOS image sensor
DOI: 10.1088/1674-4926/36/11/114007
More Information
-
Abstract
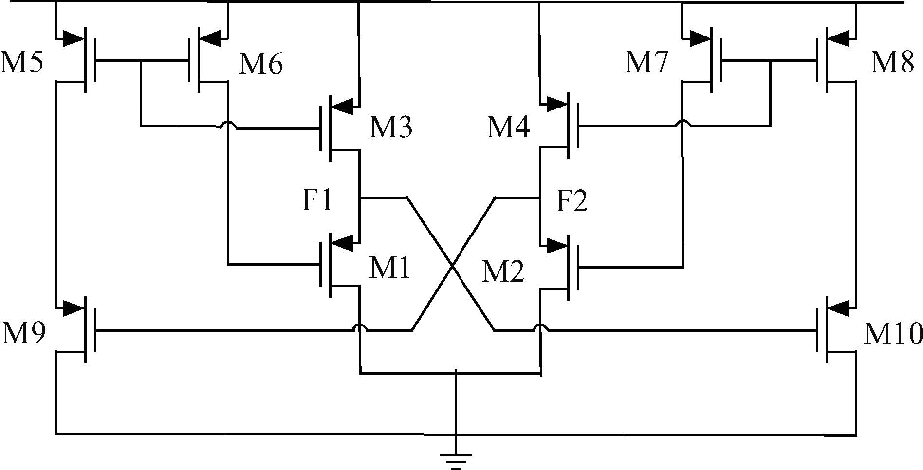
A systemic solution for radiation hardened design is presented. Besides, a series of experiments have been carried out on the samples, and then the photoelectric response characteristic and spectral characteristic before and after the experiments have been comprehensively analyzed. The performance of the CMOS image sensor with the radiation hardened design technique realized total-dose resilience up to 300 krad(Si) and resilience to single-event latch up for LET up to110 MeV·cm2/mg. -
References
[1] [2] [3] [4] [5] [6] [7] [8] [9] [10] [11] [12] -
Proportional views



DownLoad:







