| Citation: |
Dongfang Pan, Feng Zhang, Lu Huang, Jinliang Li. A common-gate bootstrapped CMOS rectifier for VHF isolated DC-DC converter[J]. Journal of Semiconductors, 2017, 38(5): 055002. doi: 10.1088/1674-4926/38/5/055002
****
D F Pan, F Zhang, L Huang, J L Li. A common-gate bootstrapped CMOS rectifier for VHF isolated DC-DC converter[J]. J. Semicond., 2017, 38(5): 055002. doi: 10.1088/1674-4926/38/5/055002.
|
A common-gate bootstrapped CMOS rectifier for VHF isolated DC-DC converter
DOI: 10.1088/1674-4926/38/5/055002
More Information
-
Abstract
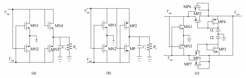
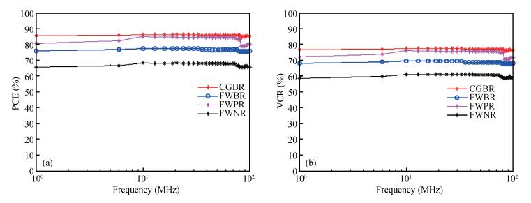
A common-gate bootstrapped CMOS rectifier dedicated for VHF (very high frequency) isolated DC-DC converter is proposed.It uses common-gate bootstrapped technique to compensate the power loss due to the threshold voltage, and to solve the reflux problem in the conventional rectifier circuit.As a result, it improves the power conversion efficiency (PCE) and voltage conversion ratio (VCR).The design saves almost 90% of the area compared to a previously reported double capacitor structure.In addition, we compare the previous rectifier with the proposed common-gate bootstrapped rectifier in the case of the same area; simulation results show that the PCE and VCR of the proposed structure are superior to other structures.The proposed common-gate bootstrapped rectifier was fabricated by using CSMC 0.5 μm BCD process.The measured maximum PCE is 86% and VCR achieves 77% at the operating frequency of 20 MHz.The average PCE is about 79% and average VCR achieves 71% in the frequency range of 30-70 MHz.Measured PCE and VCR have been improved compared to previous results. -
References
[1] Sagneri A, Anderson D, Perreault D. Optimization of integrated transistors for very high frequency DC-DC converters. IEEE Trans Power Electron, 2013, 28(7): 3614 doi: 10.1109/TPEL.2012.2222048[2] Wang J M, Yang Z, Zhu Z M. An ultra-low-voltage rectifier for PE energy harvesting applications. J Semicond, 2016, 37(2): 025004 doi: 10.1088/1674-4926/37/2/025004[3] Li Z, Wang Z G, Li Z Q, et al. A 3.16-7 GHz transformer-based dual-band CMOS VCO. J Semicond, 2015, 36(3): 035003 doi: 10.1088/1674-4926/36/3/035003[4] Yang T, Zhu L H, Tan X, et al. A dual-mode secure UHF RFID tag with a crypto engine in 0.13μm CMOS. J Semicond, 2016, 37(7): 075003 doi: 10.1088/1674-4926/37/7/075003[5] Chen B. Isolated half-bridge gate driver with integrated high-side supply. IEEE Power Electronics Specialists Conference, 2008: 3615[6] Chen B. Fully integrated isolated DC-DC converter using micro transformers. 23rd Annual IEEE Applied Power Electronics Conference Proceedings, 2008: 335[7] Wu R X, Sin J K O, Hui S Y. A novel silicon-embedded coreless transformer for isolated DC-DC converter application. Proceedings of the 23rd International Symposium on Power Semiconductor Devices & IC's, 2011: 23[8] Hashemi S S, Sawan M, Savaria Y. A high-efficiency lowvoltage CMOS rectifier for harvesting energy in implantable devices. IEEE Trans Biomed Circuits Syst, 2012, 6(4): 326 doi: 10.1109/TBCAS.2011.2177267[9] Kotani K, Ito T. High efficiency CMOS rectifier circuits for UHF RFIDs using Vth cancellation techniques. Proc IEEE 8th Conf ASIC, Changsha, China, 2009: 20[10] Le T, Han J, von Jouanne A, et al. Piezoelectric micro power generation interface circuits. IEEE J Solid-State Circuits, 2006, 41(6): 1411 doi: 10.1109/JSSC.2006.874286[11] Gosset G, Flandre D. A very high efficiency ultra-low-power 13.56 MHz voltage rectifier in 150 nm SOI CMOS. IEEE International Symposium on Radio-Frequency Integration Technology (RFIT), 2009: 347[12] Gosset G, Rue B, Flandre D. Very high efficiency 13.56 MHz RFID input stage voltage multipliers based on ultra low power MOS diodes. IEEE Int Conf RFID, 2008: 16 -
Proportional views



DownLoad:







