J. Semicond. > 2020, Volume 41 > Issue 12 > 122403

ARTICLES

Design of GGNMOS ESD protection device for radiation-hardened 0.18 μm CMOS process

Jianwei Wu, Zongguang Yu, Genshen Hong and Rubin Xie

+ Author Affiliations

 Corresponding author: Zongguang Yu, email: yuzg58@163.com

DOI: 10.1088/1674-4926/41/12/122403

PDF

Turn off MathJax

Abstract: In this paper, the ESD discharge capability of GGNMOS (gate grounded NMOS) device in the radiation-hardened 0.18 μm bulk silicon CMOS process (Rad-Hard by Process: RHBP) is optimized by layout and ion implantation design. The effects of gate length, DCGS and ESD ion implantation of GGNMOS on discharge current density and lattice temperature are studied by TCAD and device simulation. The size of DCGS, multi finger number and single finger width of ESD verification structures are designed, and the discharge capacity and efficiency of GGNMOS devices in ESD are characterized by TLP test technology. Finally, the optimized GGNMOS is verified on the DSP circuit, and its ESD performance is over 3500 V in HBM mode.

Key words: total ionizing doseRHBPGGNMOSESD ion implantationSTITLPleakage currentDCGS



[1]
Kepens B. On-chip ESD solutions seminar. SOFICS, Shanghai, 2015
[2]
Xie R B, Ji X M, Wu J W. Research on ESD performance of devices in radiation hardening process. Microprocessors, 2019, 40, 1 doi: 10.3969/j.issn.1002-2279.2019.03.001
[3]
Wang A Z H. On-chip ESD protection for integrated circuits: An IC design perspective. Springer Science & Business Media, 2006
[4]
Zhang L Z, Wang Y, Wang Y Z, et al. Insight into multiple-triggering effect in DTSCRs for ESD protection. J Semicond, 2017, 38, 075001 doi: 10.1088/1674-4926/38/7/075001
[5]
Bi X W, Liang H L, Gu X F, et al. Design of novel DDSCR with embedded PNP structure for ESD protection. J Semicond, 2015, 36, 124007 doi: 10.1088/1674-4926/36/12/124007
[6]
Mohan N, Kumar A. ESD protection design methodology in deep sub-micron CMOS technologies. Project Report, Course E&CE 730 (Topic 9), 2003, 5
[7]
Jiang Y X, Li J, Ran F, et al. Influence of layout parameters on snapback characteristic for a gate-grounded NMOS device in 0.13-μm silicide CMOS technology. J Semicond, 2009, 30, 084007 doi: 10.1088/1674-4926/30/8/084007
[8]
Chen T Y, Ker M D. Analysis on the dependence of layout parameters on ESD robustness of CMOS devices for manufacturing in deep-submicron CMOS process. IEEE Trans Semicond Manuf, 2003, 16, 486 doi: 10.1109/TSM.2003.815200
[9]
Do K I, Park J G, Kwon M J, et al. Analysis of GGNMOS-based ESD protection device using DCGS variation with robustness. Academic Conference of Korean Institute of Electronic Engineering, 2016, 6, 74
[10]
Krabbenborg B, Beltman R, Wolbert P, et al. Physics of electro-thermal effects in ESD protection devices. J Electrost, 1992, 28, 285 doi: 10.1016/0304-3886(92)90077-7
[11]
Chen J Z, Zhang X Y, Amerasekera A, et al. Design and layout of a high ESD performance NPN structure for submicron BiCMOS/bipolar circuits. Proceedings of International Reliability Physics Symposium, 1996
[12]
Ker M D, Chen T Y. Substrate-triggered technique for on-chip ESD protection design in a 0.18-μm salicided CMOS process. IEEE Trans Electron Devices, 2003, 50, 1050 doi: 10.1109/TED.2003.812495
[13]
Wu D X, Jiang L L, Fan H, et al. Analysis on the positive dependence of channel length on ESD failure current of a GGNMOS in a 5 V CMOS. J Semicond, 2013, 34, 024004 doi: 10.1088/1674-4926/34/2/024004
[14]
Wu J W, Yu Z G, Hong G S, et al. A method for strengthening the total ionizing dose of 0.18 μm bulk CMOS process. 2018 International Conference on Radiation Effects of Electronic Devices, 2018
[15]
Paul M, Russ C, Kumar B S, et al. Physics of current filamentation in ggNMOS devices under ESD condition revisited. IEEE Trans Electron Devices, 2018, 65, 2981 doi: 10.1109/TED.2018.2835831
[16]
Wang Y, Lu G Y, Wang Y Z, et al. Power-rail ESD clamp circuit with parasitic-BJT and channel parallel shunt paths to achieve enhanced robustness. IEICE Trans Electron, 2017, E100.C, 344 doi: 10.1587/transele.E100.C.344
[17]
Li L, Zhu K H. ESD performance analysis of gate grounded NMOS devices. Electron Pack, 2011, 11, 18 doi: 10.3969/j.issn.1681-1070.2011.02.006
[18]
Li Z G, Yue S G, Sun Y Z. Research on ESD device design of deep submicron IC. The 16th National Conference on Silicon Materials for Semiconductor Integrated circuits, 2009
[19]
Li Z G, Yue S G, Sun Y S. GDNMOS design for ESD protection in submicron CMOS VLSI. 2009 Asia Pacific Conference on Postgraduate Research in Microelectronics & Electronics, 2009, 432
[20]
Shi J. Deep sub-micron ESD GGNMOS layout design and optimization. MATEC Web Conf, 2018, 198, 04009 doi: 10.1051/matecconf/201819804009
[21]
Boschke R, Chen S H, Scholz M, et al. ESD ballasting of Ge FinFET ggNMOS devices. 2017 IEEE International Reliability Physics Symposium (IRPS) – Monterey, 2017
Fig. 1.  (Color online) The structure of IC (integrated circuit) chip ESD protection system.

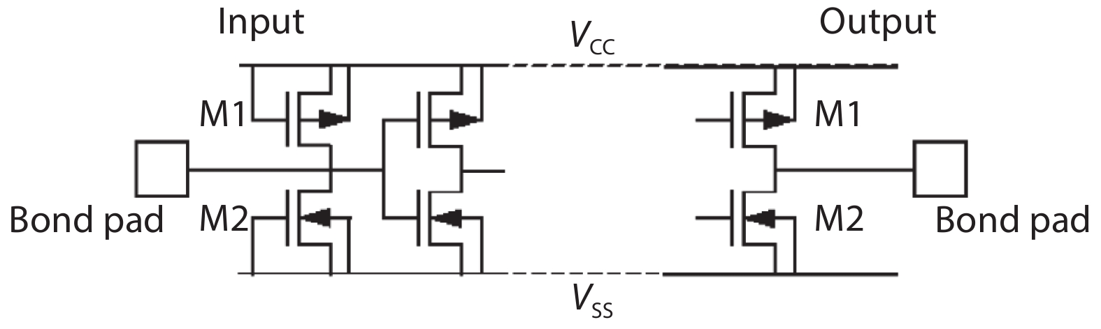
Fig. 2.  CMOS input and output ESD protection circuit.

Fig. 3.  ESD working principle of GGNMOS device.

Fig. 4.  (Color online) Typical discharge curve and design window of GGNMOS device in ESD event.

Fig. 5.  (Color online) (a) Structure diagram of GGNMOS. (b) 3D display of GGNMOS device.

Fig. 6.  (Color online) TCAD process simulation results of GGNMOS devices.

Fig. 7.  Comparison of the TCAD and test structure GGNMOS TLP curve.

Fig. 8.  (Color online) The impact ionization, current density and lattice temperature diagrams.

Fig. 9.  (Color online) The influence of gate length and DCGS on the lattice temperature of GGNMOS.

Fig. 10.  (Color online) Effect of different ESD ion implantation dose on 3.3 V GGNMOS It2.

Fig. 11.  (Color online) Influence of single finger width on ESD current.

Fig. 12.  (Color online) Influence of number of fingers on ESD current.

Fig. 13.  (Color online) Effect of DCGS size on the ESD performance of GGNMOS.

Fig. 14.  (Color online) GGNMOS TLP curves with a total 240 μm width. (a) 3.3 V GGNMOS TLP It2 = 2.9 A. (b) 1.8 V GGNMOS TLP It2 = 3.84 A.

Fig. 15.  (Color online) EMMI of DSP circuit pad ESD fails.

Fig. 16.  (Color online) GGNMOS It2 value versus process nodes.

Table 1.   The radiation-hardened 0.18 μm CMOS process characteristic parameters.

Item Feature
Minimum feature size 0.18 μm undoped polysilicon gate
Operating voltage Core device 1.8 V, IO device 3.3 V
Isolation technology STI
Well structure Double retrograded well
Spacer Type LONO Spacer
Gate oxide Dual gate oxide
Silicide Fully self aligned CoSi2 gate, source, drain
Interconnection Aluminum interconnection with tungsten plug technology HDP low-K FSG IMD
Optional device DN, HR, MIM optional
Reliability ≥ 20 years
TID ≥ 300 krad (Si)
SEL ≥ 75 MeV·cm2/mg
SEU ≤ 1 × 10–10 error /(bit·day) (with standard library)
DownLoad: CSV

Table 2.   Comparison with literature.

GGNMOS device Single finger width (μm) Multi finger number Total width (μm) Vt2 (V) It2 (A) Discharge efficiency Iesd (mA/μm) Reference
3.3 Va 40 6 240 7.60 2.90 12.08 /
1.8 Va 40 6 240 8.61 3.84 16.0 /
1.8 V 40 8 320 20.27 4.55 14.2 [17]
3.3 V 60 6 360 / 3 (≥ 4500 V) 8.33 [18]
3.3 V 30 12 360 / 1 (≥ 1500 V) 2.78 [18]
3.3 V 60 12 720 / 3 (≥ 8000 V) 7.4 [18]
3.3 V 90 8 720 5.24 5.17 7.18 [19]
1.8 V / / / / / 9.1b [1]
3.3 V / / / / / 8.1b [1]
a Indicate this work. b Published literature, Fig. 16.
DownLoad: CSV
[1]
Kepens B. On-chip ESD solutions seminar. SOFICS, Shanghai, 2015
[2]
Xie R B, Ji X M, Wu J W. Research on ESD performance of devices in radiation hardening process. Microprocessors, 2019, 40, 1 doi: 10.3969/j.issn.1002-2279.2019.03.001
[3]
Wang A Z H. On-chip ESD protection for integrated circuits: An IC design perspective. Springer Science & Business Media, 2006
[4]
Zhang L Z, Wang Y, Wang Y Z, et al. Insight into multiple-triggering effect in DTSCRs for ESD protection. J Semicond, 2017, 38, 075001 doi: 10.1088/1674-4926/38/7/075001
[5]
Bi X W, Liang H L, Gu X F, et al. Design of novel DDSCR with embedded PNP structure for ESD protection. J Semicond, 2015, 36, 124007 doi: 10.1088/1674-4926/36/12/124007
[6]
Mohan N, Kumar A. ESD protection design methodology in deep sub-micron CMOS technologies. Project Report, Course E&CE 730 (Topic 9), 2003, 5
[7]
Jiang Y X, Li J, Ran F, et al. Influence of layout parameters on snapback characteristic for a gate-grounded NMOS device in 0.13-μm silicide CMOS technology. J Semicond, 2009, 30, 084007 doi: 10.1088/1674-4926/30/8/084007
[8]
Chen T Y, Ker M D. Analysis on the dependence of layout parameters on ESD robustness of CMOS devices for manufacturing in deep-submicron CMOS process. IEEE Trans Semicond Manuf, 2003, 16, 486 doi: 10.1109/TSM.2003.815200
[9]
Do K I, Park J G, Kwon M J, et al. Analysis of GGNMOS-based ESD protection device using DCGS variation with robustness. Academic Conference of Korean Institute of Electronic Engineering, 2016, 6, 74
[10]
Krabbenborg B, Beltman R, Wolbert P, et al. Physics of electro-thermal effects in ESD protection devices. J Electrost, 1992, 28, 285 doi: 10.1016/0304-3886(92)90077-7
[11]
Chen J Z, Zhang X Y, Amerasekera A, et al. Design and layout of a high ESD performance NPN structure for submicron BiCMOS/bipolar circuits. Proceedings of International Reliability Physics Symposium, 1996
[12]
Ker M D, Chen T Y. Substrate-triggered technique for on-chip ESD protection design in a 0.18-μm salicided CMOS process. IEEE Trans Electron Devices, 2003, 50, 1050 doi: 10.1109/TED.2003.812495
[13]
Wu D X, Jiang L L, Fan H, et al. Analysis on the positive dependence of channel length on ESD failure current of a GGNMOS in a 5 V CMOS. J Semicond, 2013, 34, 024004 doi: 10.1088/1674-4926/34/2/024004
[14]
Wu J W, Yu Z G, Hong G S, et al. A method for strengthening the total ionizing dose of 0.18 μm bulk CMOS process. 2018 International Conference on Radiation Effects of Electronic Devices, 2018
[15]
Paul M, Russ C, Kumar B S, et al. Physics of current filamentation in ggNMOS devices under ESD condition revisited. IEEE Trans Electron Devices, 2018, 65, 2981 doi: 10.1109/TED.2018.2835831
[16]
Wang Y, Lu G Y, Wang Y Z, et al. Power-rail ESD clamp circuit with parasitic-BJT and channel parallel shunt paths to achieve enhanced robustness. IEICE Trans Electron, 2017, E100.C, 344 doi: 10.1587/transele.E100.C.344
[17]
Li L, Zhu K H. ESD performance analysis of gate grounded NMOS devices. Electron Pack, 2011, 11, 18 doi: 10.3969/j.issn.1681-1070.2011.02.006
[18]
Li Z G, Yue S G, Sun Y Z. Research on ESD device design of deep submicron IC. The 16th National Conference on Silicon Materials for Semiconductor Integrated circuits, 2009
[19]
Li Z G, Yue S G, Sun Y S. GDNMOS design for ESD protection in submicron CMOS VLSI. 2009 Asia Pacific Conference on Postgraduate Research in Microelectronics & Electronics, 2009, 432
[20]
Shi J. Deep sub-micron ESD GGNMOS layout design and optimization. MATEC Web Conf, 2018, 198, 04009 doi: 10.1051/matecconf/201819804009
[21]
Boschke R, Chen S H, Scholz M, et al. ESD ballasting of Ge FinFET ggNMOS devices. 2017 IEEE International Reliability Physics Symposium (IRPS) – Monterey, 2017
  • Search

    Advanced Search >>

    GET CITATION

    shu

    Export: BibTex EndNote

    Article Metrics

    Article views: 6764 Times PDF downloads: 389 Times Cited by: 0 Times

    History

    Received: 30 March 2020 Revised: 27 April 2020 Online: Accepted Manuscript: 18 June 2020Uncorrected proof: 19 June 2020Published: 08 December 2020

    Catalog

      Email This Article

      User name:
      Email:*请输入正确邮箱
      Code:*验证码错误
      Jianwei Wu, Zongguang Yu, Genshen Hong, Rubin Xie. Design of GGNMOS ESD protection device for radiation-hardened 0.18 μm CMOS process[J]. Journal of Semiconductors, 2020, 41(12): 122403. doi: 10.1088/1674-4926/41/12/122403 ****J W Wu, Z G Yu, G S Hong, R B Xie, Design of GGNMOS ESD protection device for radiation-hardened 0.18 μm CMOS process[J]. J. Semicond., 2020, 41(12): 122403. doi: 10.1088/1674-4926/41/12/122403.
      Citation:
      Jianwei Wu, Zongguang Yu, Genshen Hong, Rubin Xie. Design of GGNMOS ESD protection device for radiation-hardened 0.18 μm CMOS process[J]. Journal of Semiconductors, 2020, 41(12): 122403. doi: 10.1088/1674-4926/41/12/122403 ****
      J W Wu, Z G Yu, G S Hong, R B Xie, Design of GGNMOS ESD protection device for radiation-hardened 0.18 μm CMOS process[J]. J. Semicond., 2020, 41(12): 122403. doi: 10.1088/1674-4926/41/12/122403.

      Design of GGNMOS ESD protection device for radiation-hardened 0.18 μm CMOS process

      DOI: 10.1088/1674-4926/41/12/122403
      More Information
      • Corresponding author: email: yuzg58@163.com
      • Received Date: 2020-03-30
      • Revised Date: 2020-04-27
      • Published Date: 2020-12-10

      Catalog

        /

        DownLoad:  Full-Size Img  PowerPoint
        Return
        Return